PRODUCT
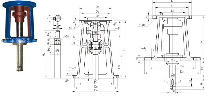
機(jī)架型號 | 減速機(jī)型號 | D1 | D2 | D3(H8) | D4(H9) | D5 | D6 | n1-d1 | n2-d2 | H | H2 | H3 | H4 | H5 | H6 | H8 | H8 | H9 |
JII2 | B2 | 260 | 230 | 200 | 295 | 350 | 392 | 6-13.5 | 4-26 | 568 | 478 | 301 | 159 | 89 | 74 | 20 | 17 | 70 |
JII3 | B3 | 340 | 310 | 270 | 345 | 400 | 442 | 6-13.5 | 4-26 | 675 | 575 | 358 | 178 | 101 | 81 | 37 | 20 | 82 |
JII4 | B4 | 400 | 360 | 320(316) | 435 | 500 | 548 | 8-16 | 8-30 | 736 | 613 | 384 | 215 | 123 | 92 | 25 | 28 | 120 |
JII5 | B5 | 490 | 450 | 400 | 440 | 550 | 600 | 12-18 | 12-22 | 835 | 685 | 363 | 280 | 150 | 130 | 44 | 40 | 142 |
JII6 | B6 | 580 | 520 | 460(455) | 500 | 550 | 600 | 12-22 | 12-22 | 928 | 739 | 380 | 350 | 187 | 163 | 46 | 40 | 156 |
機(jī)架型號 | 減速機(jī)型號 | d1 | d2 | d3 | M0 |
d4 (k6) |
b | t | f1 | f2 | h1 | h2 |
JII2 | B2 | 45 | 45 | 43 | M50×2 | 50 | 14 | 48.5 | 6 | 5 | 20 | 12 |
JII3 | B3 | 55 | 55 | 63 | M65×2 | 65 | 16 | 59 | 6 | 5 | 20 | 24 |
JII4 | B4 | 70 | 70 | 72 | M75×2 | 75 | 20 | 74.5 | 7 | 5 | 22 | 26 |
JII5 | B5 | 90 | 90 | 95 | M100×2 | 100 | 25 | 95 | 8 | 7 | 26 | 28 |
JII6 | B6 | 100 | 100 | 105 | M110×2 | 110 | 28 | 106 | 10 | 7 | 28 | 30 |
機(jī)架型號 | 減速機(jī)型號 | 輸入端接口 | 輸出端接口 | D5 | D6 | D7 | H1 | H2 | H3 | H4 | ||||||||
D | D1 | D2(H9) | h1 | h2 | n-d1 | D3 | D4 | n-d2 | h3 | |||||||||
TJA0 | B0 | 190 | 160 | 140 | 16 | 5 | 4-12 | 250 | 210 | 3-12 | 16 | 115 | 45 | 30 | 260 | 200 | 34 | 70 |
TJA1 | B1 | 230 | 200 | 170 | 16 | 5 | 6-12 | 290 | 260 | 4-12 | 16 | 115 | 45 | 35 | 310 | 200 | 57 | 100 |
TJA2 | B2 | 260 | 230 | 200 | 20 | 6 | 6-12 | 345 | 300 | 3-18 | 20 | 115 | 50 | 45 | 350 | 200 | 57 | 100 |
TJA3 | B3 | 340 | 310 | 270 | 22 | 6 | 6-13.5 | 460 | 400 | 4-20 | 22 | 160 | 60 | 55 | 440 | 250 | 77 | 100 |
TJA4 | B4 | 400 | 260 |
320 (316) |
22 | 7 | 8-15 | 580 | 530 | 6-20 | 22 | 160 | 75 | 70 | 521 | 250 | 87 | 130 |
TJA5 |
B5 |
490 | 450 | 400 | 25 | 7 | 12-18 | 600 | 550 | 8-22 | 28 | 240 | 100 | 90 | 540 | 300 | 107 | 170 |
TJA6 | B6 | 580 | 520 |
320 (316) |
28 | 10 | 12-22 | 600 | 560 | 12-22 | 30 | 250 | 110 | 100 | 624 | 350 | 100 | 200 |
TJA7 | B7 | 650 | 590 | 520 | 30 | 12 | 12-22 | 700 | 650 | 12-22 | 30 | 275 | 120 | 110 | 724 | 400 | 142 | 200 |
TJA8 | B8 | 880 | 800 | 680 | 30 | 12 | 12-37 | 880 | 810 | 20-27 | 37 | 310 | 140 | 130 | 818 | 450 | 202 | 225 |
Related Products